Boreas – 618 A Firefighting Robot
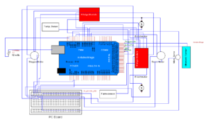
Boreas – 618: A Firefighting Robot Samuel III Ulric Antonio G. Espiña, Ronuel Joseph L. Pilla, Ravi Reese L. Tobongbanua Abstract Fires are a huge problem not just here in the Philippines, but also across the globe. According to BFP … Continue reading Boreas – 618 A Firefighting Robot
Copy and paste this URL into your WordPress site to embed
Copy and paste this code into your site to embed